IGBT模块
- 文件和證明
- 描述
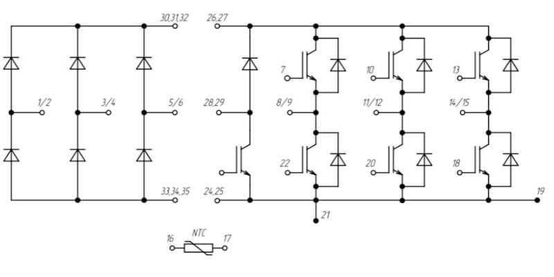
Low Inductance IGBT Module MIRA-IRB12LA-50N with 17 mm Height Housing. IGBT module with blocking voltage 1200V and current 50A. IGBT MIRA-IRB12LA-50N has copper baseplate, improved thermal cycling and integrated temperature sensor.
- 应用范围
Low Inductance IGBT Module MIRA-IRB12LA-50N successful used in AC motor drives, invertors and power supplies.




